RCR02 Hutschienen-Empfänger 230V EIN/AUS 4-Kanal
Der bidirektionale Hutschienen-Empfänger RCR02 4-Kanal dient dem potenzialfreien Schalten von vier Netzspannungsverbrauchern
und kann mit Sendern der 1-Tast- und 2-Tast-Bedienung geschaltet werden.
Je Schaltausgang lassen sich 32 Sendecodes einlernen.
Zusätzlich kann ein Easywave neo Server in den Empfänger eingelernt werden, um die bidirektionalen Funktionalitäten zu nutzen.
Der Empfänger kann in den Betriebsarten EIN/AUS, IMPULS und TOTMANN betrieben werden. In der Betriebsart EIN/AUS stehen zusätzlich zwei TIMERFunktionen und eine LOGIK-Funktion zur Verfügung.
Das Gerät ist für die Montage auf einer Standard-Hutschiene (35x7,5 mm) geeignet.
Zusätzlich kann ein Easywave neo Server in den Empfänger eingelernt werden, um die bidirektionalen Funktionalitäten zu nutzen.
Der Empfänger kann in den Betriebsarten EIN/AUS, IMPULS und TOTMANN betrieben werden. In der Betriebsart EIN/AUS stehen zusätzlich zwei TIMERFunktionen und eine LOGIK-Funktion zur Verfügung.
Das Gerät ist für die Montage auf einer Standard-Hutschiene (35x7,5 mm) geeignet.
Technische Daten
| Codierung | Easywave neo 32 Sender je Ausgang einlernbar |
| Frequenz | 868,30 MHz |
| Kanäle | 4 |
| Spannungsversorgung | 230 V AC, 50 Hz |
| Leistungsaufnahme | 0,4 W Stand by 1,9 W max. ohne Last |
| Betriebsarten | EIN/AUS (1-Tast-Bedienung) EIN/AUS (2-Tast-Bedienung) IMPULS TIMER fest (3 und 7 Minuten) TIMER individual (je Sender) TIMER global (je Ausgang) TOTMANN LOGIK (2-Tast-Bedienung) |
| Ausgänge | 2 potenzialfreie Relaiskontakte (Schließer) 2 potenzialfreie Relaiskontakte (Wechsler) |
| Max. Kontaktbelastung | ohmsche Last: 16,0 A / 3.680 VA induktive Last: 3,0 A / 690 VA |
| Betriebstemperatur | -20 °C bis +45 °C |
| Abmessungen (B/L/H) | 71/90/63 mm |
Lieferumfang
- Hutschienen-Empfänger
- Bedienungsanleitung
Zubehör (optional)
| ACC-ANT50-03-21P | Externe Antenne, 868MHz, 5m Koaxkabel, Klemmenanschluss, Magnetfuß |

ACC-ANT50-03-21P
Ausführungen
| Produktnummer | Beschreibung |
|---|---|
| RCR02EN5004A01-29K | Hutschienen-Empfänger, Easywave neo, 230V, 2x Schließer + 2x Wechsler, potenzialfrei |
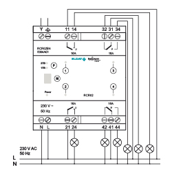
Anschlussplan


Instagram
LinkedIn