RCR03 Hutschienen-Empfänger 230V Motor 4-Kanal
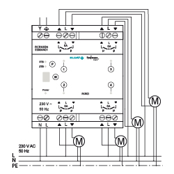
Der bidirektionale Hutschienen-Empfänger RCR03 4-Kanal dient dem potenzialfreien Ansteuern von vier Rohrmotoren.
Die Betriebsarten werden unterschieden in Anwendungen für die Rollladensteuerung und die Jalousiesteuerung.
Bei der Standardanwendung beträgt die Laufzeit 120 Sekunden. Bei den laufzeitabhängigen Anwendungen lässt sich die Laufzeit einstellen oder es können anzufahrende Positionen festgelegt werden.
Die Terrassenfunktion ermöglicht das Sperren der ZU-Richtung eines oder mehrerer Ausgänge und verhindert so ein versehentliches Aussperren.
Zusätzlich kann ein Easywave neo Server in den Empfänger eingelernt werden, um die bidirektionalen Funktionalitäten zu nutzen.
Die Betriebsarten werden unterschieden in Anwendungen für die Rollladensteuerung und die Jalousiesteuerung.
Bei der Standardanwendung beträgt die Laufzeit 120 Sekunden. Bei den laufzeitabhängigen Anwendungen lässt sich die Laufzeit einstellen oder es können anzufahrende Positionen festgelegt werden.
Die Terrassenfunktion ermöglicht das Sperren der ZU-Richtung eines oder mehrerer Ausgänge und verhindert so ein versehentliches Aussperren.
Zusätzlich kann ein Easywave neo Server in den Empfänger eingelernt werden, um die bidirektionalen Funktionalitäten zu nutzen.
Technische Daten
| Codierung | Easywave neo 32 Sender je Ausgang einlernbar |
| Frequenz | 868,30 MHz |
| Kanäle | 4 |
| Spannungsversorgung | 230 V AC, 50 Hz |
| Leistungsaufnahme | 0,4 W Stand by 1.2 W max. ohne Last |
| Betriebsarten | AUF/STOPP/ZU (3-Tast-Bedienung. Lamellenverstellung möglich.) AUF/ZU (2-Tast-Bedienung. Stopp mit Gegenrichtung. Lamellenverstellung möglich.) POSITION anfahren TOTMANN |
| Ausgänge | 4 potenzialfreie Ausgänge mit je 2 Relaiskontakten |
| Max. Kontaktbelastung | ohmsche Last cosφ = 1,0: 6,0 A / 1.500 VA induktive Last cosφ = 0,8: 4,8 A / 1.200 VA |
| Betriebstemperatur | -20 °C bis +45 °C |
| Abmessungen (B/L/H) | 71/90/63 mm |
Lieferumfang
- Hutschienen-Empfänger
- Bedienungsanleitung
Zubehör (optional)
| ACC-ANT50-03-21P | Externe Antenne, 868MHz, 5m Koaxkabel, Klemmenanschluss, Magnetfuß |

ACC-ANT50-03-21P
Ausführungen
| Produktnummer | Beschreibung |
|---|---|
| RCR03EN5004A01-29K | Hutschienen-Empfänger, Easywave neo, 230V, 4x Motor, potenzialfrei |
Anschlussplan


Instagram
LinkedIn