RCD22 Radio control serial interface
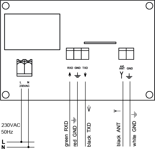
The RCD22 transmits and receives Easywave telegrams. It is controlled via an RS232 interface in HEX format.
The control and evaluation software has to be created by the user.
Where environmental conditions are unfavorable, the external antenna ACC-ANT50-03-21P can be connected to improve wireless reception. This is not included with the product, but can be ordered separately.
Where environmental conditions are unfavorable, the external antenna ACC-ANT50-03-21P can be connected to improve wireless reception. This is not included with the product, but can be ordered separately.
Technical specifications
| Coding | Easywave |
| Frequency | 868,30 MHz |
| Channels | 1 |
| Power supply | 230 V AC, 50 Hz |
| Power consumption | 1,5 W stand by |
| Output | RS232 interface |
| Degree of protection | IP66 (when delivered) |
| Operating temperature | -20 °C to +60 °C |
| Dimensions (W/L/H) | 130/94/57 mm |
Scope of delivery
- Radio control
- Mounting material
- Operating manual
Accessories (optional)
| ACC-ANT50-03-21P | External antenna, 868 Mhz, 5m coaxial cable, clamp connection, magnetic base |

ACC-ANT50-03-21P
Models
| Product number | Description |
|---|---|
| RCD22E5001A02 | Radio control, Easywave, 230V, RS232 interface |
Wiring diagram


Instagram
LinkedIn