RTS39 Unterputz-Sender
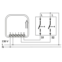
An den stationären Sender RTS39 können bis zu zwei Taster oder zwei Schalter mit 230 V angeschlossen werden.
Damit kann jeder handelsübliche 230V-Taster oder 230V-Schalter ohne aufwendige Umverdrahtung auch per Funk Easywave-Funkempfänger schalten.
Die flache Bauweise erleichtert die Installation in Unterputzdosen, hinter Schaltern oder hinter Tastern.
Damit kann jeder handelsübliche 230V-Taster oder 230V-Schalter ohne aufwendige Umverdrahtung auch per Funk Easywave-Funkempfänger schalten.
Die flache Bauweise erleichtert die Installation in Unterputzdosen, hinter Schaltern oder hinter Tastern.
Technische Daten
| Codierung | Easywave POTA |
| Frequenz | 868,30 MHz |
| Kanäle | 2 |
| Sendedauer | max. 36 Sekunden |
| Reichweite | typisch 150 m bei guten Freifeldbedingungen |
| Spannungsversorgung | 230 V AC, 50 Hz |
| Leistungsaufnahme | max. 0,25 W 0,08 W Standby |
| Bedienung | durch angeschlossenen Taster/Schalter |
| Betriebstemperatur | -20 °C bis +60 °C |
| Abmessungen (B/L/H) | 43/42/17,5 mm |
| Gewicht | 32 g |
Lieferumfang
- Unterputz-Sender
- Bedienungsanleitung
Ausführungen
| Produktnummer | Beschreibung |
|---|---|
| RTS39E5002D01-K | Unterputz-Sender, Easywave, 2x EIN/AUS | 2x IMPULS, 230V |
Anschlussplan

Anschluss Schalter
Anschluss Taster
Anschluss Taster Motor
S1, S2: EIN/AUS
S1, S2: EIN/AUS
S1: AUF, S2: ZU



Instagram
LinkedIn